La velocidad VVVF se ha convertido en una forma popular que puede usarse ampliamente en diversas industrias.
En el sistema de control de velocidad del motor de frecuencia variable, utilizando un inversor electrónico de potencia como fuente de alimentación, es inevitable que haya armónicos altos, mayor impacto armónico en el motor. Se refleja principalmente en el circuito magnético y en el potencial magnético armónico del circuito, corrientes armónicas. Diferentes amplitudes y frecuencias de corrientes armónicas y flujo magnético provocarán la pérdida de cobre del estator del motor y el consumo de aluminio del rotor. Estas pérdidas de eficiencia del motor y reducción del factor de potencia, la mayoría de estas pérdidas se convierten en calor, provocando un calentamiento adicional del motor, provocando que la temperatura del motor aumente, dando como resultado una temperatura generalmente del 10-20%. Como resultado de la interferencia electromagnética, la potencia, la conducción y la radiación, el aislamiento del devanado del estator envejece, lo que provoca el deterioro del voltaje de modo común y la corriente de fuga del cojinete acelerado, cojinete perecedero, mientras el motor grita. Desde el par electromagnético armónico, el par electromagnético armónico constante, los MMF armónicos de vibración y la síntesis de corriente armónica del rotor trasero. El torque del motor generará problemas pulsantes, por lo que la vibración de la velocidad del motor es baja.
La empresa produce motores asíncronos trifásicos universales de las series YS, IE2 e IE3; nuestra principal consideración es la sobrecarga del motor, el rendimiento de arranque, la eficiencia y el factor de potencia. Otra consideración importante para la adaptabilidad de la potencia del motor no sinusoidal. Suprimir la influencia de una corriente armónica más alta en el motor. Dado que el motor aumenta cuando la temperatura de trabajo de la región de baja frecuencia, la clase de aislamiento F mencionada anteriormente, el uso de materiales de aislamiento de polímero y el proceso de impregnación a presión al vacío, y el uso de una estructura de aislamiento especial. Para reducir la ondulación del par electromagnético, mejore la precisión de las piezas mecánicas para mejorar el nivel de calidad constante y utilice un silenciador de cojinete de alta precisión. Para eliminar la vibración, se fortalece la estructura del motor para fortalecer el diseño general.
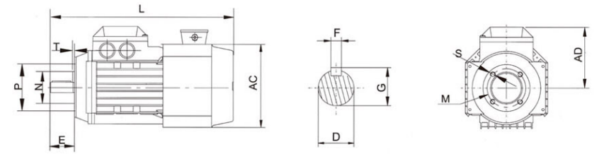
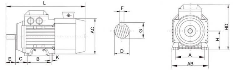
Dado que el motor se encuentra en una región de baja frecuencia, debido a que la velocidad del motor se reduce, el sistema de ventilación original está diseñado para reducir el papel del aumento de temperatura del motor, por lo que el extremo trasero del motor tiene un ventilador de enfriamiento axial individual monofásico de 22ov o 38ov trifásico, para proteger el enfriamiento efectivo del motor a cualquier velocidad, El motor eléctrico puede funcionar a alta o baja velocidad. Produje frenos YVF que pueden equiparse con un motor inversor trifásico y también pueden equiparse con un codificador para lograr un control de velocidad continuo bajo. Con las dimensiones de instalación de brida estándar IEC, el motor inversor trifásico YVF se mantiene bien universal y se puede intercambiar con un motor estándar general.

English

