Los motores asíncronos trifásicos de alta eficiencia de la serie YE3 se basan en el último desarrollo de motores asíncronos trifásicos de ultra alta eficiencia con jaula de ardilla y ventilador automático completamente cerrado basados en GB/T28575-2012. El nivel de eficiencia energética de 3 niveles en los "Valores límite de eficiencia energética y niveles de eficiencia energética de motores asíncronos" está en línea con IE3 en el nivel de eficiencia energética en IEC60034-30, y está en el nivel de primera clase con el motor ultraeficiente NEMA americano más avanzado.
En comparación con la serie YE2, el motor de alta eficiencia de la serie YE3 ahorra más energía, tiene bajas emisiones de carbono y protege el medio ambiente. El tamaño de la instalación, el nivel de potencia y el motor ordinario son los mismos, de acuerdo con la norma IEC60072-1 de la Comisión Electrotécnica Internacional, y pueden reemplazarse directamente para lograr el propósito de ahorro de energía, ahorro de energía y promover el mercado. El motor con una altura central de H160 y superior puede equiparse con
Se reserva un dispositivo ininterrumpido de llenado y descarga de aceite y el espacio para instalar un termistor y una correa calefactora a prueba de humedad, lo cual es conveniente para que los usuarios elijan.
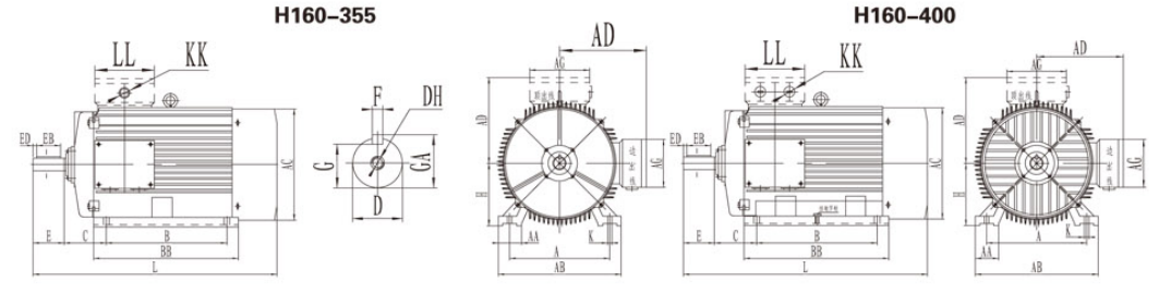
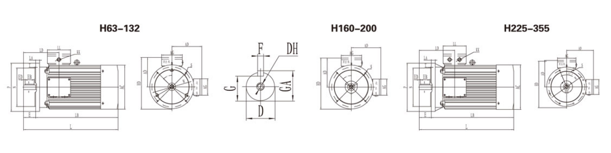
El rango de potencia de esta serie de motores: 0,75KW-315KW; la altura central de la base: H80-H355.
Temperatura ambiente: -15℃≤0<40℃
Altitud: no superior a 1000m
Tensión nominal: 380V
Frecuencia nominal: 50Hz
Clase de protección: IP55
Clase de aislamiento: F
Método de enfriamiento: IC411
Servicio: S1 (continuo)
Conexión: Conexión estrella para hasta 3KW, conexión delta para 4kW y más.

English



